LabVIEW视觉

 找回密码
 注册会员
查看: 359|回复: 0

[面阵相机] MARS-138-95GM-P-TN-SWIR F02大恒图像科研级SWIR短波红外相机

[复制链接]
  • TA的每日心情
    难过
    24 分钟前
  • 签到天数: 3750 天

    连续签到: 1 天

    [LV.Master]2000FPS

     楼主| 发表于 2025-9-11 08:28:33 | 显示全部楼层 |阅读模式 来自:广东省东莞市 联通

    注册登陆后可查看附件和大图,以及购买相关内容

    您需要 登录 才可以下载或查看,没有账号?注册会员

    x
    MARS-138-95GM-P-TN-SWIR F02大恒图像科研级SWIR短波红外相机
    火星系列GigE接口130万像素短波红外工业相机
    MARS-138-95GM-P-TN-SWIR F02是大恒图像新推出的非可见光-短波红外相机,相机搭载采用SenSWIR技术的 Sony IMX990高灵敏度传感器,能捕获到400nm~1700nm范围的可见光和短波红外的宽波段图像信息,该相机可替代传统的“可见光相机+短波红外相机”,其宽谱带特性适合多光谱应用,同时相机采集帧率高非常适合半导体检测应用。
    image1.png
    火星MARS-G-P-TN-SWIR系列短波红外相机
    image2.png
    MARS-138-95GM-P-TN-SWIRF02
    image3.png
    MARS-138-95GM-P-TN-SWIRF02
    应用领域
    工业检测、医疗、科研、教育以及安防等领域。
    产品特点
    l  时间戳、ROI、Binning、Decimation、镜像、序列控制功能
    l  定时器、计数器、查找表、参数组
    l  Gamma、黑电平、数字移位
    l  取消参数范围限制控制
    l  静态坏点校正、模板噪声校正、锐化、降噪
    l  平场校正、暗场校正、明场校正
    规格参数
      
    型号
      
    MARS-138-95GM-P-TN-SWIR  F02
    品牌
    大恒图像
    系列
    火星MARS-G-P-TN SWIR系列
    分辨率
    1280(H) × 1024(V)
    帧率(fps)
    89.7 fps(突发采集高速模式下,Sensor 位深 BPP8模式下,采集帧率可达 134fps
    光谱响应范围
    400nm~1700nm
    传感器厂商
    SONY
    传感器
    1/2” IMX990  Global shutter CMOS
    传感器材料
    InGaAs
    像元尺寸
    5μm
    模数转换精度
    8 bit10 bit12 bit
    像素深度
    8 bit10 bit12 bit
    数据接口
    GigE PoE
    镜头接口
    C
    光谱
    黑白,短波红外
    图像数据格式
    Mono8 / Mono10  / Mono12 / Mono10 Packed / Mono12 Packed
    信噪比
    50.4 dB
    曝光时间
    极小:3μs ~ 100μs,实际步长:1μs;标准:13μs ~ 1s,实际步长:1 行周期
    增益
    0dB ~ 24dB;默认值0dB,步长0.1dB
    Binning
    1 × 11 × 22 × 12 × 2
    像素抽样
    Sensor1×12×2
    同步方式
    外触发,软触发
    工作方式
    单帧采集,连续采集,软触发采集,外触发采集
    镜像翻转
    水平镜像,垂直镜像
    I/O接口
    1 路光耦隔离输入,1 路光耦隔离输出,1 路双向 GPIO
    供电要求
    12VDC-10% ~  24VDC+10% 电源或 PoEPower over  Ethernet,兼容 IEEE802.3af
    功率
    13W @ 最大制冷能力
    工作温度
    0°C ~ +45°C
    存储温度
    -20°C ~ +70°C
    工作湿度
    10% ~ 80%
    制冷方式
    TEC半导体制冷
    制冷温度
    典型值:比环境温度低 15° C ± 0.5° C @常温环境
    滤色片/透光片
    机械尺寸
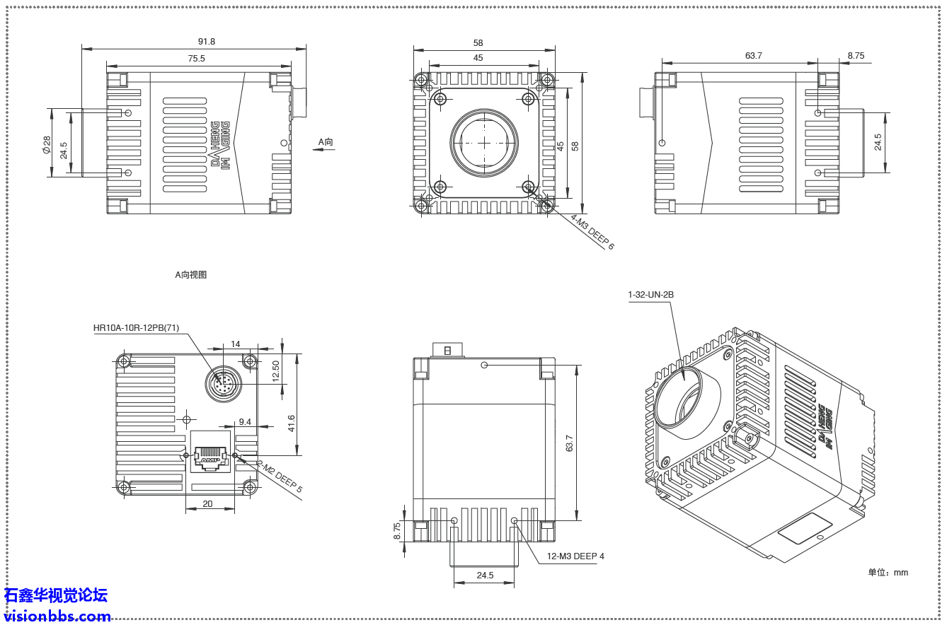
    58(W) × 58(H)  × 75.5(L) mm(不含 C接口长度)
    重量
    407 g
    认证及标准
    CERoHSGigE Vision®GenICam®
    软件
    支持 HALCONMERLICVisionProLabVIEW 等第三方软件
    操作系统
    32bit / 64bit  WindowsLinuxMac OS
    光谱曲线
    image4.png
    IO接口
    image5.png
    机械尺寸
    image6.png

    回复

    使用道具 举报

    您需要登录后才可以回帖 登录 | 注册会员

    本版积分规则

    LabVIEW HALCON图像处理入门教程(24.09)
    石鑫华机器视觉与LabVIEW Vision图像处理PDF+视频教程11种全套
    《LabVIEW Vision函数实例详解2020-2024》教程-NI Vision所有函数使用方法介绍,基于NI VISION2020,兼容VDM21/22/23/24

    QQ|LabVIEW视觉 |网站地图

    GMT+8, 2025-12-23 08:47

    Powered by Discuz! X3.4

    © 2001-2025 Discuz! Team.

    快速回复 返回顶部 返回列表