LabVIEW视觉

 找回密码
 注册会员
查看: 344|回复: 0

[面阵相机] MARS-24600-12X2C-TF大恒图像火星CXP高速工业相机

[复制链接]
  • TA的每日心情
    难过
    26 分钟前
  • 签到天数: 3750 天

    连续签到: 1 天

    [LV.Master]2000FPS

     楼主| 发表于 2025-9-19 17:51:28 | 显示全部楼层 |阅读模式 来自:广东省东莞市 联通

    注册登陆后可查看附件和大图,以及购买相关内容

    您需要 登录 才可以下载或查看,没有账号?注册会员

    x
    MARS-24600-12X2C-TF大恒图像火星CXP高速工业相机

    火星系列2亿4600像素CoaXPress2.0 接口彩色工业相机
    大恒图像火星MARS-24600-12X2C-TF相机采用Sony IMX811 245.76MP逐行曝光CMOS传感器,通过CoaXPress接口进行图像数据的高速传输,相机配置TEC制冷系统和散热风扇,能够有效减少热噪声,生成优质图像。相机传输速度快、传输稳定性高、功耗低、降温快速平稳、输出图像质量清晰。
    image1.png
    火星MARS-X2系列

    应用领域
    消费电子、工业检测、医疗、科研、教育等领域。

    产品特点
    l  明场校正、暗场校正、平场校正、静态坏点校正
    l  序列控制功能支持平场校正等功能的参数配置,最多 16 组
    l  彩色相机支持环境光源预设、颜色转换、饱和度、白平衡功能
    l  支持 Gamma、黑电平
    l  查找表、参数组、计数器、定时器
    l  支持大恒图像以及第三方图像采集卡

    规格参数
    型号  
    MARS-24600-12X2C-TF
    MARS-24600-12X2M-TF
    品牌
    大恒图像
    系列
    火星MARS-X2
    分辨率
    19200(H) ×  12800(V)
    传感器
    Sony IMX811  245.76MP Rolling shutter CMOS
    靶面尺寸
    64.84 mmD
    像元尺寸
    2.81μm ×  2.81μm
    帧率(fps)
    10.54 fps @  19200 × 12800
    模数转换精度
    12 bit14 bit16 bit
    像素深度
    8 bit12 bit14 bit16 bit
    光谱
    彩色
    黑白
    图像数据格式
    Bayer RG8 /  Bayer RG12 / Bayer RG14 / Bayer RG16
    Mono8 / Mono12  / Mono14 / Mono16
    信噪比
    43.9 dB
    44.2 dB
    曝光时间
    CXP12.5 × 4,实际步长:4 行周期  
    Bayer RG8144μs ~ 60sBayer RG12123μs ~ 60s  
    Bayer RG14144μs ~ 60sBayer RG16287μs ~ 60s
    增益
    数字增益:0dB ~ 24dB;默认值0dB,步长0.1dB  
    模拟增益:0dB ~ 16dB;默认值0dB,步长0.1dB
    Binning
    不支持
    像素抽样
    1×11×21×42×12×22×44×14×24×4
    同步方式
    外触发,软触发
    工作方式
    单帧采集,连续采集,软触发采集,外触发采集,CXP触发采集
    镜像翻转
    水平镜像,垂直镜像
    I/O接口
    1 路光耦隔离输入,1 路光耦隔离输出,1 路双向 GPIO1 RS232
    数据接口
    CXP-12 × 4  (HDBNC)
    供电要求
    辅助直流 24V电源或 PoCXP供电
    功率
    典型值:40.6W @24V、环境25℃Sensor 恒定温度 10℃TEC(ON)、风扇 (ON)  
    最大值:44W @ 快速降温阶段、TEC(ON)、风扇(ON)
    工作温度
    0°C ~ +45°C
    存储温度
    -20°C ~ +70°C
    工作湿度
    10% ~ 80%
    散热方式
    TEC 半导体制冷 + 风扇
    镜头接口
    M72
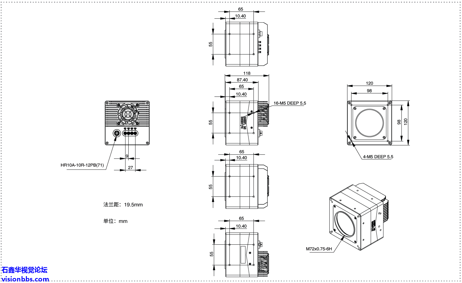
    机械尺寸
    120(W) ×  120(H) × 118(L) mm
    重量
    2340 g
    软件
    支持大恒图像采集卡以及第三方图像采集卡配套软件
    操作系统
    Win7 / Win8 /  Win10 / Win11
    认证及标准
    CERoHSFCCICESUKCACoaXPress2.0GenICam

    光谱曲线
    image2.png

    IO接口
    image3.png

    机械尺寸

    image4.png
    MARS-24600-12X2M/C-TFM72 口
    回复

    使用道具 举报

    您需要登录后才可以回帖 登录 | 注册会员

    本版积分规则

    LabVIEW HALCON图像处理入门教程(24.09)
    石鑫华机器视觉与LabVIEW Vision图像处理PDF+视频教程11种全套
    《LabVIEW Vision函数实例详解2020-2024》教程-NI Vision所有函数使用方法介绍,基于NI VISION2020,兼容VDM21/22/23/24

    QQ|LabVIEW视觉 |网站地图

    GMT+8, 2025-12-23 08:49

    Powered by Discuz! X3.4

    © 2001-2025 Discuz! Team.

    快速回复 返回顶部 返回列表